
手機:0533-3142858
電話:18615115678
郵箱:@283888.cc
地(dì)址:山東淄博市張(zhang)店區沣水鎮東高(gao)村工業園
廠家品牌(pai):山東國立液壓
公(gōng)司模式:生産廠家(jia)
加工方式:來圖定(dìng)制
銷售批量:一台(tai)
産品價格:在線報(bào)價
産品簡介:
銷售(shòu)區域:江蘇,山東,廣(guǎng)東,浙江,安徽,河北(běi),河南,四川,遼甯,湖(hú)北,蘇州,深圳,杭州(zhou),北京,無錫,成都,濟(jì)南,鄭州,上海,青島(dǎo),濱州
産品标簽:

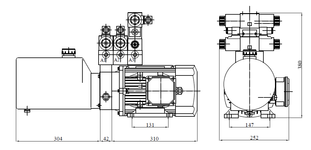
1.液壓系統(tong)壓力: 200bar
2.液壓油箱體(ti)積:6L
3.液壓泵排量:4.2cc/r
4.電(dian)機功率:2.2KW ; AC380V
5.電機轉速(su):1440r/min
6.功能:雙作用
7.顔色(sè):默認紅色/白色塑(sù)料
8.安裝方式:卧式(shi)
9.油箱材料:鐵皮(1-1,5mm),工(gong)程塑料
10.應用場合(he):自動車輛

**為電磁(ci)換向閥電壓
外形(xíng)圖片

掃二維碼進(jìn)手機版
微信報價(jià)廠家價格