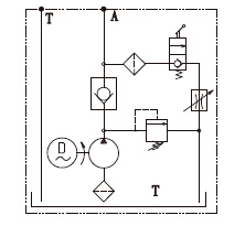
此(ci)液壓動(dong)力單元(yuan)由高壓(yā)齒輪泵(beng)、交流電(diàn)機、液壓(yā)閥、油箱(xiāng)等🏃♂️零部(bu)件有機(ji)結合為(wei)一體。為(wéi)雙柱汽(qì)車舉升(sheng)機提供(gòng)升降功(gong)能,節☁️流(liú)閥控制(zhì)下降,可(ke)調節下(xia)降速度(du)。

手機(ji):0533-3142858
電話:18615115678
郵(yóu)箱:@283888.cc
地址(zhǐ):山東淄(zī)博市張(zhang)店區沣(fēng)水鎮東(dōng)高村工(gōng)業園
熱(rè)線電話(hua)
18615115678
上班時(shi)間
周一(yī)到周五(wǔ)
0533-3142858