24小時(shi)銷售服務熱線:
手機:0533-3142858
電話:18615115678
郵箱:@283888.cc
地(dì)址:山東淄博市張(zhang)店區沣水鎮東高(gao)村工業園
廠家品牌:山東(dōng)國立液壓
公司模(mó)式:生産廠家
加工(gong)方式:來圖定制
銷(xiao)售批量:一台
産品(pin)價格:在線報價
産(chan)品簡介:
銷售區域(yu):江蘇,山東,廣東,浙(zhe)江,安徽,河北,河南(nán),四川,遼甯,湖北,蘇(su)州,深圳♊,杭州,北京(jīng),無錫,成都,濟南,鄭(zhèng)州,上海,青島,台州(zhōu)
産品标簽:
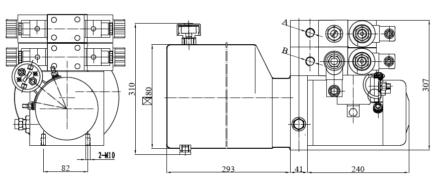
1.液壓系統壓力(li): 200bar
2.液壓油箱體積:5L
3.液(ye)壓泵排量:1.6cc/r
4.電機功(gong)率:1.6KW ;DC 12/13V
5.電機轉速:2500r/min
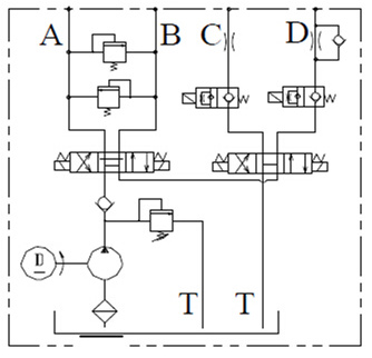
6.功能(néng):雙作用和單作用(yòng)
7.顔色:默認紅色/白(bai)色塑料
8.安裝方式(shì):卧式
9.油箱材料:鐵(tiě)皮(1-1,5mm),工程塑料
10.應用(yong)場合: 掃雪
**為電磁(ci)換向閥電壓
挖掘機油(you)缸
非(fēi)标液壓油缸
法蘭式液(ye)壓缸
冶金液壓油缸
熱線電話
18615115678
上班(ban)時間
周一到周五(wǔ)
公司電話
0533-3142858