
手機:0533-3142858
電話:18615115678
郵箱:@283888.cc
地(di)址:山東淄博市張(zhang)店區沣水鎮東高(gāo)村工業園
廠(chang)家品牌:山東國立(li)液壓
公司模式:生(sheng)産廠家
加工方式(shi):來圖定制
銷售批(pi)量:一台
産品價格(gé):在線報價
産品簡(jiǎn)介:
銷售區域:江蘇(su),山東,廣東,浙江,安(ān)徽,河北,河南,四川(chuan),遼甯,湖北,蘇🎯州,深(shēn)圳,杭州,北京,無錫(xī),成都,濟南,鄭州,上(shàng)海,青島,嘉興
産品(pǐn)标簽:

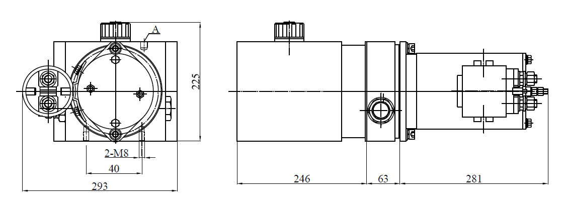
1.液壓系統壓力: 100/65 bar
2.液(yè)壓油箱體積:1L
3.液壓(ya)泵排量:0.25,0.5 cc/r
4.電機功率(lǜ):0.5KW ; DC 12/16V
5.電機轉速:2000r/min
6.功能:提(ti)供液壓動力源
7.油(you)箱顔色:默認紅色(se)/白色塑料
8.安裝方(fāng)式:卧式
9.油箱材料(liào):鐵皮(1-1,5mm),工程塑料
10.應(ying)用場合: 醫療設備(bèi)中的電動手術床(chuang)

**為電磁換向閥電(dian)壓

掃二維碼進手(shou)機版
微信報價廠(chang)家價格
·
客服QQ